|
||||
|
BUSCAR
(nombre, referencia o modelo)
|
W41SP-2750 - INDESIT - Lavadoras - Lavadoras - Secadoras
Seleccione un componente o accesorio Si no lo encuentra, háganos una consulta y lo buscaremos por usted
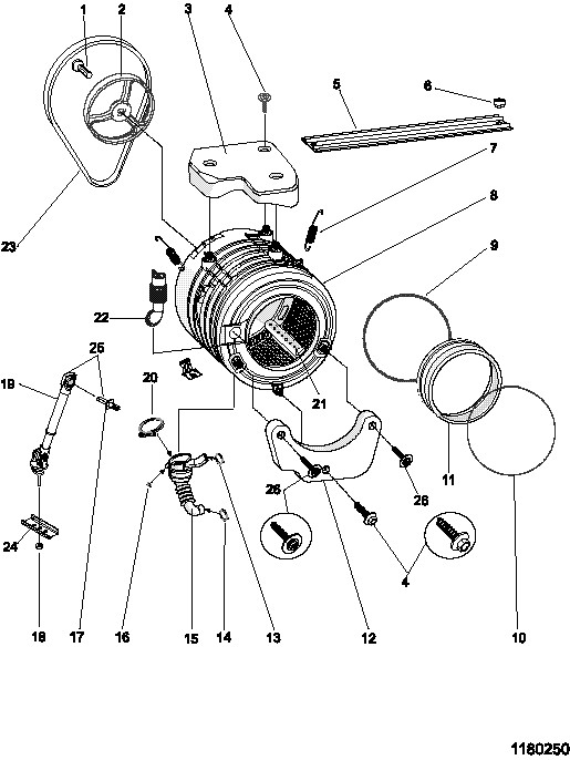
DespiecesEstos despieces están destinados a servir de ayuda en la identificación del repuesto que necesita al hacernos una consulta. | ||||||||||
