|
||||
|
BUSCAR
(nombre, referencia o modelo)
|
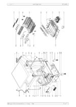
1LV7050S-90601315 - FAGOR - Lavavajillas - Lavavajillas
Seleccione un componente o accesorio Si no lo encuentra, háganos una consulta y lo buscaremos por usted
DespiecesEstos despieces están destinados a servir de ayuda en la identificación del repuesto que necesita al hacernos una consulta. | ||||||||||
