|
||||
|
BUSCAR
(nombre, referencia o modelo)
|
FTC6N-930011005 - FAGOR - Otros -
Seleccione un componente o accesorio Si no lo encuentra, háganos una consulta y lo buscaremos por usted
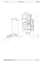
DespiecesEstos despieces están destinados a servir de ayuda en la identificación del repuesto que necesita al hacernos una consulta. | |||||||||
