|
||||
|
BUSCAR
(nombre, referencia o modelo)
|
4642-M800 - BRAUN - Pequeños Electrodomésticos -
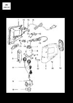
Seleccione un componente o accesorio Si no lo encuentra, háganos una consulta y lo buscaremos por usted DespiecesEstos despieces están destinados a servir de ayuda en la identificación del repuesto que necesita al hacernos una consulta. | |||||||
